Saturday, April 27th, 2019 AT 7:17 AM
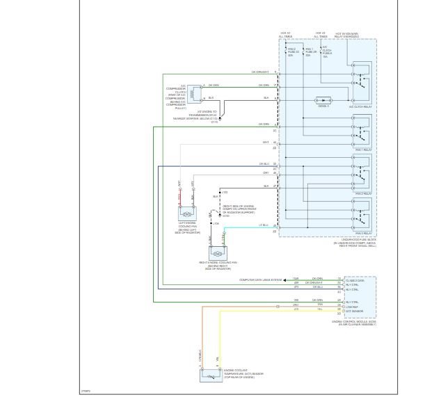
New fans, comes as AC and radiator fans. Checked relays. When ground check relay fans come on high speed. Just replaced transmission new.


