Wednesday, January 6th, 2016 AT 7:55 AM
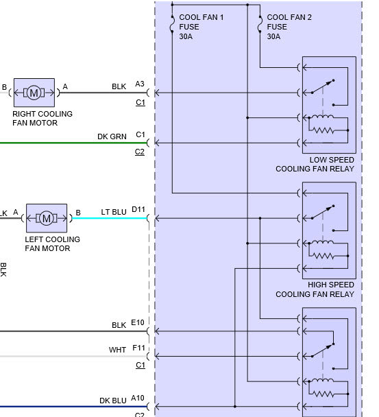
Have seen as high as 215* on digital info ctr. Cooling fans don't come on, fans run freely with 12v jumped @ u/h fuse & relay ctr, relays check good n I don't just mean they click and all related fuses that I can find (this car has 3 fuse boxes) r good. I've been advised that fans should come on when the a/c or def is turned on, they do not.I just drove this car on a 300mi. Trip on a 60*day n temp never went over 192*, now its 20*outside n temp shoots up over 210/212 when sitting still, soon as you move it goes back down to 190/195

