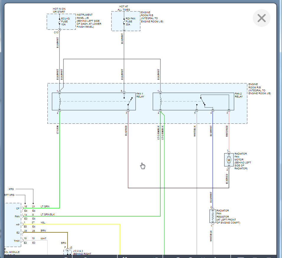
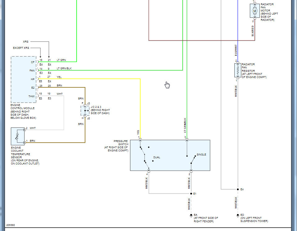
I check fuses relay looks good. there is no power on the fan wiring coupler
i found there is no power in relay2 plug.
i found there is no power in relay2 plug.
Oct 3, 2020 at 5:24 AM















