Wednesday, September 6th, 2023 AT 8:18 PM
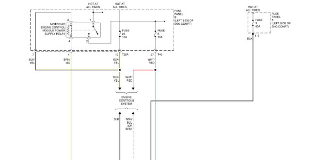
Hi 2CarPros. I have the car listed above, value edition that I recently purchased. The fans are not working for radiator and A/C. It was not overheating running at 200 degrees. But fan not coming on. I just replaced thermostat and coolant temperature sensor but that did not fix the problem. I also unhooked the fan and gave direct current to fan, and they came on. I have been trying to figure out what's wrong with it. I can't identify the correct relays for fans or fuses. Nothing in my owner's manual is correct for locations. The diagram for fuse box under hood is not the same. Also have not found a fan control module. How do I get my fans running again?




