Monday, March 20th, 2023 AT 5:23 PM
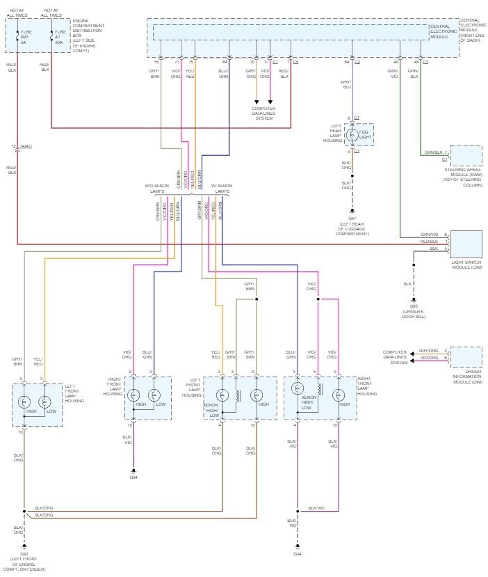
My car came stock with HID headlight assembly, if I were to buy Halogen assemblies would it be plug and play or what modifications would I need to do? The ballasts keep frying due to bad headlight assembly cracks, I've tried finding a replacement but don't have the funds for $700.00 headlight assemblies.



