Sunday, August 6th, 2023 AT 11:41 AM
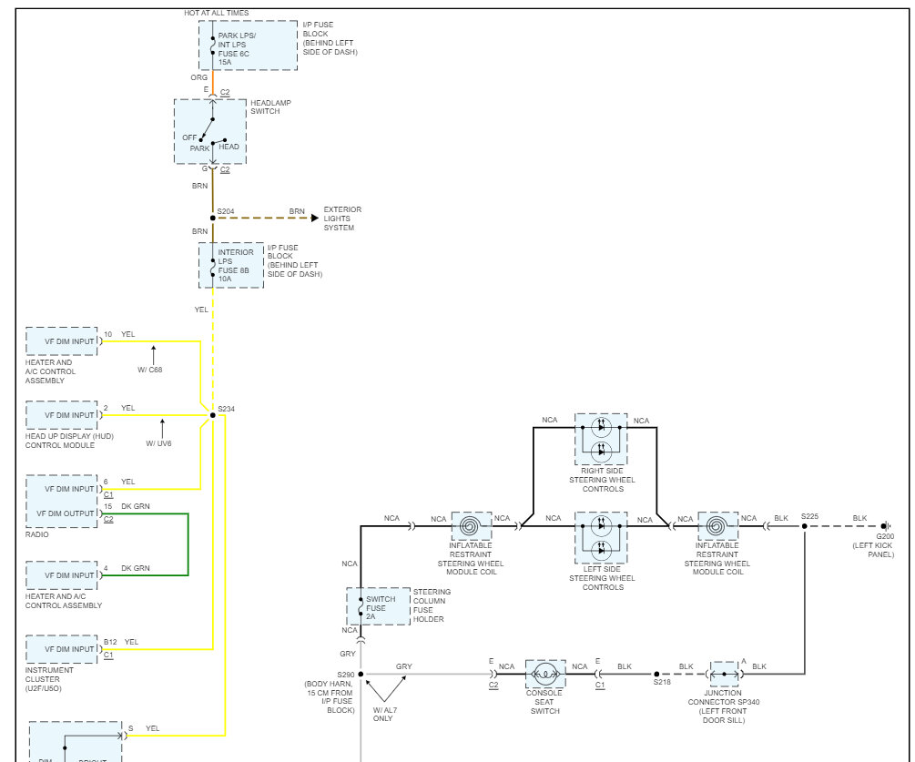
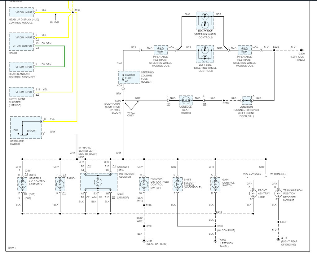
I would like to bypass the headlight dimmer switch on my car listed above. No matter how I try to get it to work from the switch it keeps getting stuck. I have torn it apart several times and got it working then after a couple days it messes up again. I would like to bypass to floor switch. But the floor switch has 3 wires. The car has 4 wires. There is yellow wire with black stripe, yellow wire, green wire, and I believe a tan wire. So, I need to know how to wire it.



