Friday, June 9th, 2023 AT 8:43 PM
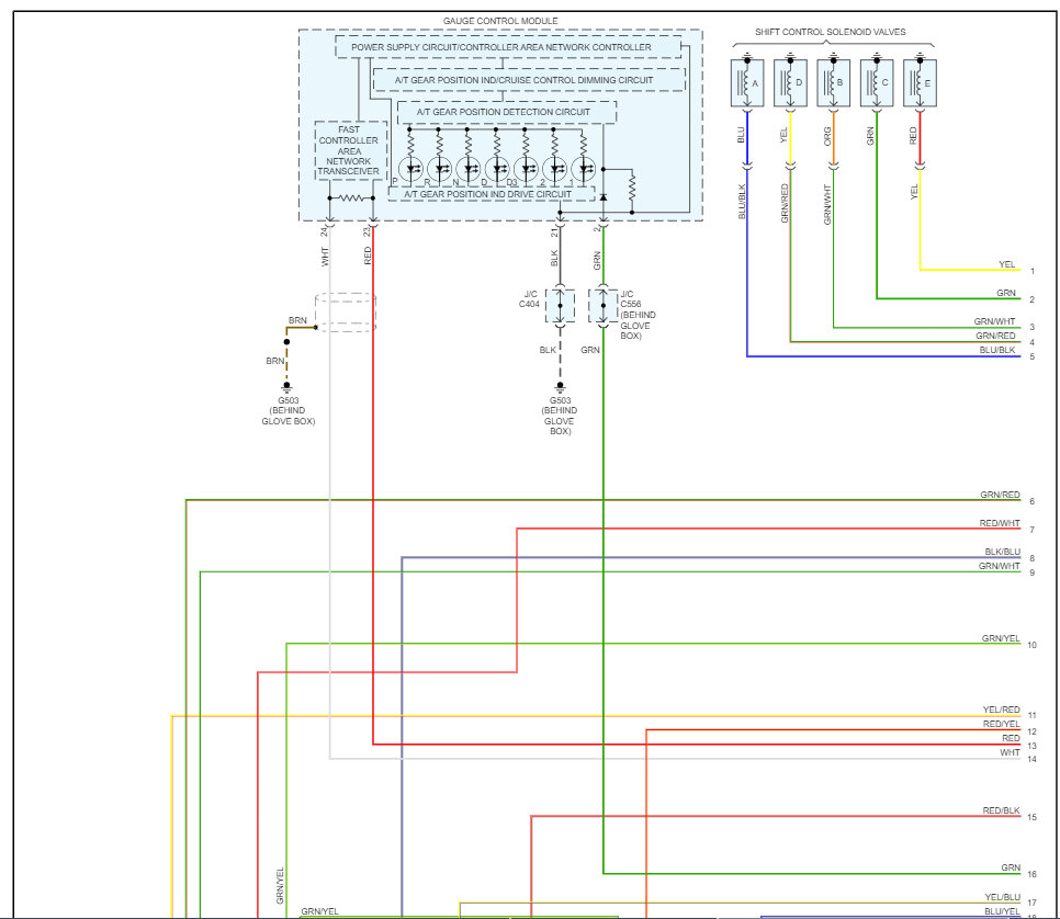
My car is throwing a code P0756 but when the solenoid shifts were tested, they passed and there was nothing wrong with them? But when I’m driving my car will randomly like stop like it’s in neutral and won’t go but sometimes it’ll kick itself out of it and start going other times, I have to turn off the car and start it back again.














