Thursday, October 13th, 2022 AT 3:56 AM
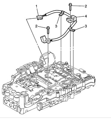
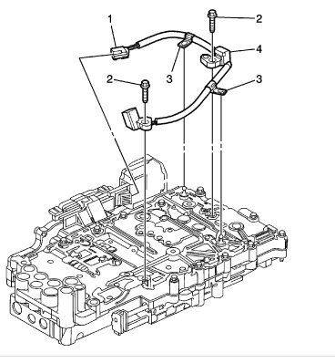
I am trying to find the transmission input speed sensor on a the truck listed above 1500. Can anyone show me where it is in a photo or diagram and describe how to access it? I have been trying to locate it for 2 days now. I cannot find anything on Google images or YouTube that helps locate it. Thanks in advance.






