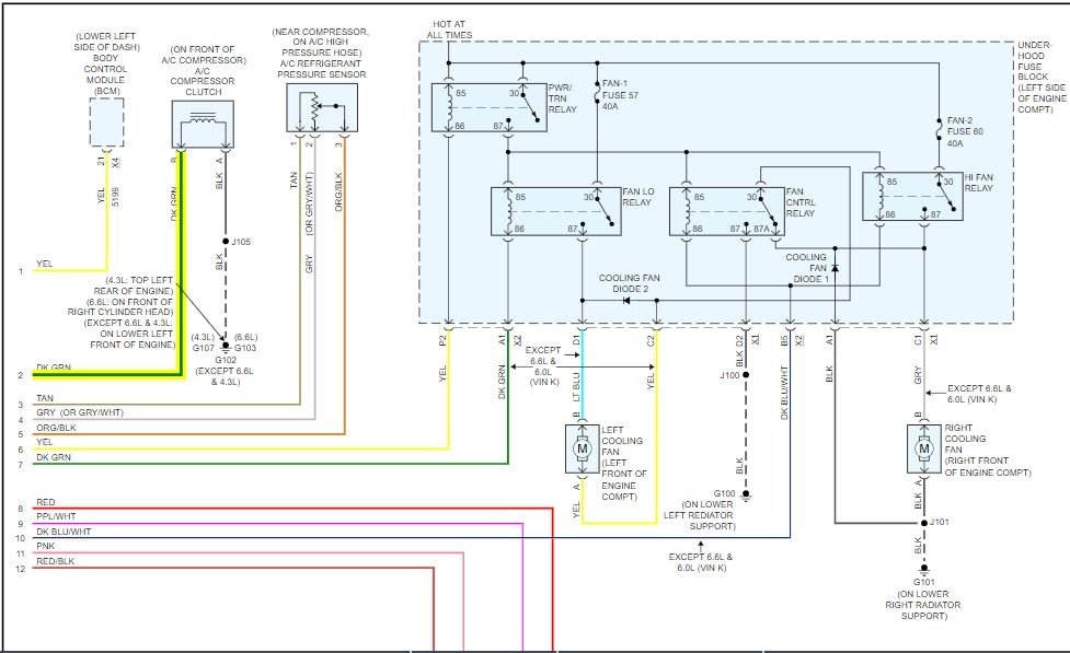
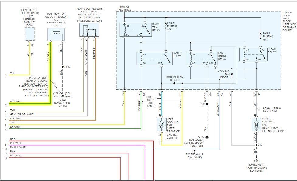
I can however engage the compressor with my HP tuner through Obd2 port. I can't figure out which wire coming out of the back of the climate control unit needs to be replaced. Do you have a schematic for the back of the unit? It has the dual climate and auto feature.
Wednesday, October 14th, 2020 AT 12:36 PM







