Cleaning throttle body?

Tiny
DANNY68!
  • MEMBER
  • 2003 TOYOTA CAMRY
  • 3.0L
  • V6
  • 2WD
  • AUTOMATIC
  • 135,000 MILES
I'm just wondering if there is a special way of cleaning the TB? Does it have to be removed can I open the butterfly by hand? Does it require some type of relearn or calibration after cleaning? And say I didn't clean it the best would it cause the butterfly to stick? I have an unusually high RPM now only at a cold start and by that I mean no matter the temperature outside. So I'm thinking I didn't clean it good enough causing sticking or I screw up by cleaning it improperly. Please help and again only on cold start and no codes.
Tuesday, October 29th, 2024 AT 5:01 PM

8 Replies

Tiny
KEN L
  • MASTER CERTIFIED MECHANIC
  • 54,261 POSTS
Yep, this is common, please watch this video to fix it:

https://www.youtube.com/watch?v=XMB16Gg-qNg&t=16s

The Idle air control valve gets gummed up and sticks open causing the high idle condition. Let us know how it goes.
Was this
answer
helpful?
Yes
No
Wednesday, October 30th, 2024 AT 11:20 AM
Tiny
DANNY68!
  • MEMBER
  • 9 POSTS
Mine is an electronic throttle body so that video doesn't apply or am I missing something? Vin#4T1BF30K83U060515
Was this
answer
helpful?
Yes
No
Wednesday, October 30th, 2024 AT 11:27 AM
Tiny
DANNY68!
  • MEMBER
  • 9 POSTS
I didn't mean to sound ungrateful for your help, which wasn't my intention at all. I'm no mechanic but I'm pretty sure but not positive that video wasn't for an electronic TB? My IAC is built in the TB or that's what I read. Please I need help.
Was this
answer
helpful?
Yes
No
Wednesday, October 30th, 2024 AT 3:08 PM
Tiny
KEN L
  • MASTER CERTIFIED MECHANIC
  • 54,261 POSTS
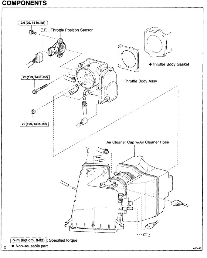
Opps, you are correct, this car does not have an IAC. The best way to service the throttle body is to not move the butterfly, and leave the wires connected. Here is a guide that can help you with diagrams below to show you how on your car.

https://www.2carpros.com/articles/throttle-actuator-service

I don't think this throttle body needs a relearn, check the instructions below. Check out the images (below). Please let us know what happens.
Was this
answer
helpful?
Yes
No
Thursday, October 31st, 2024 AT 1:42 PM
Tiny
DANNY68!
  • MEMBER
  • 9 POSTS
Okay, this has blown my mind. I've had this issue all summer everyday right. I'm not sure if this means anything but it's been hot outside, and I've had this cold start high idle all summer. The last 2 mornings it's been in the 30s and my car started normal like it used to. These last 2 days have been the only time I've had a normal cold start RPM. What the heck is going on? Shouldn't it be the other way around?
Was this
answer
helpful?
Yes
No
Saturday, November 23rd, 2024 AT 9:22 PM
Tiny
KEN L
  • MASTER CERTIFIED MECHANIC
  • 54,261 POSTS
Hmm, I have seen engine coolant sensors cause this issue, I would connect a scanner to see what the coolant sensor reading is to see if it is close to the outside temperature when the engine is cold. Here is the location of the sensor in case you need it. Check out the images (below). Please let us know what happens.
Was this
answer
helpful?
Yes
No
Sunday, November 24th, 2024 AT 11:11 AM
Tiny
DANNY68!
  • MEMBER
  • 9 POSTS
I'm just going to replace it. I don't have a scan tool and even if I did I probably wouldn't know how to use it correctly. I really don't have any symptoms of a bad coolant temperature sensor my car doesn't overheat there's no codes. But it does make sense that the car would have a high idle when it's hot outside and start normal when it's cold outside. I hate throwing parts at it because I can't afford it. And here in Kentucky I cannot find a decent honest mechanic that knows what he or she is doing. Do you know anyone in my state I'm willing to drive if the issue can be fixed and I don't get ripped off.
Was this
answer
helpful?
Yes
No
Monday, November 25th, 2024 AT 11:13 AM
Tiny
KEN L
  • MASTER CERTIFIED MECHANIC
  • 54,261 POSTS
Yep, that is tough to find. Car repair is a rough business to begin with. I am sorry I don't know anyone. The best thing is to read the google reviews of a place to see if most are good or not.
Was this
answer
helpful?
Yes
No
+1
Tuesday, November 26th, 2024 AT 10:32 AM

Please login or register to post a reply.