Friday, April 24th, 2020 AT 8:16 AM
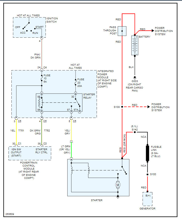
I obtained the car listed above because I was owed money. When the car showed up, it was being towed which was funny to me because the guy said It was working fine, I had my suspicions and looked around and found out that the car was broken into and I believe it was it and he tried to steal the car but we’re unsuccessful. When I put the key into the ignition it turns freely. The ACC lights turn on but no crank no start. What could be the problem/problems?




