Hello there..
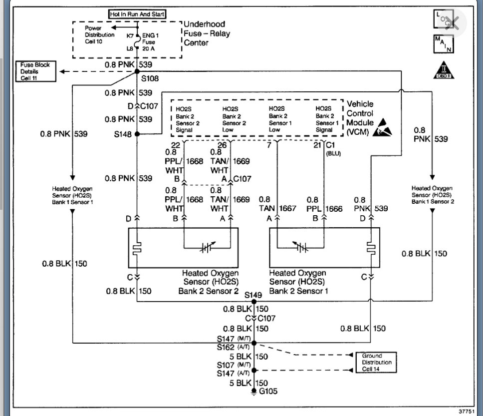
I have a 1997 C1500 2wd Pickup in which the check engine light is on. The code reported from my handy dandy OBDII reader is P0430 - Cat Sys Below eff Bank 2.
I have narrowed this to an O2 sensor or the Cat...
Can you give me some direction if I am on the right track or completely derailed..
Thanks for your help
Al
I have a 1997 C1500 2wd Pickup in which the check engine light is on. The code reported from my handy dandy OBDII reader is P0430 - Cat Sys Below eff Bank 2.
I have narrowed this to an O2 sensor or the Cat...
Can you give me some direction if I am on the right track or completely derailed..
Thanks for your help
Al
Feb 22, 2009 at 7:29 PM




