Friday, May 2nd, 2008 AT 10:31 AM
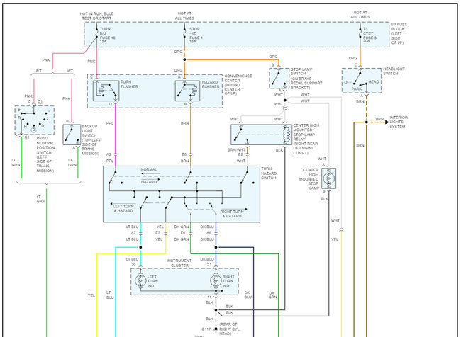
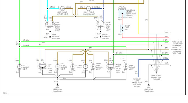
I posted a request for wiring diagram for s10 pick up. The mechanic said he would send me one if I reposted I haven't received an answer. I do need help the new signal switch I cannot get signal lights to work or back brake light the high brake light works.



