Fuse panel diagrams apparently fried the starter relay

Tiny
OLD GRAMPA JAKE
  • MEMBER
  • 2002 CHEVROLET S-10
  • 4.3L
  • 6 CYL
  • 2WD
  • AUTOMATIC
  • 105,000 MILES
I tried to do some welding without disconnecting the neg. Cable. This apparently fried the starter relay inside the fuse box because it got to a point where it wouldn't stars without a light charge. Replaced the relay & things were going fine but this week when I don't use the truck every day the battery drains down to the point that a light charge ( maybe 2 mins) is needed & then I can go all day. Charging system, battery, starter all check out in good to excellent condition according to O'Reillys tester. We have an abnormal amount of pot-holes here & I'm wondering if something got shaken slightly loose or do I need to check the fuse box can I get diagrams please?
Tuesday, April 8th, 2014 AT 6:55 AM

21 Replies

Tiny
JDL
  • MECHANIC
  • 16,098 POSTS
Check for a drain with everything off. I don't have the specs right in front of me, usually 30--50 ma/milliamps, .050 not even a tenth of an amp. If the drain is excessive, you pull/replace fuses one at a time, when you pull the fuse on the problem circuit, the excess drain goes away, then you check that circuit. You can also unplug the bat terminal at your alternator to make sure the drain isn't going that way?

Here is a guide to help you step by step with instructions in the diagrams below to show you how on your car.

https://www.2carpros.com/articles/how-to-check-a-car-fuse

Check out the diagrams (Below). Please let us know what happens.

Was this
answer
helpful?
Yes
No
Tuesday, April 8th, 2014 AT 7:30 AM
Tiny
JDL
  • MECHANIC
  • 16,098 POSTS
Just to add, as far as a drain, check for any lights that may be left on, interior--under the hood-- where ever. Best time to check for a light being left on is in the dark.

https://www.2carpros.com/articles/car-battery-dead-overnight
Was this
answer
helpful?
Yes
No
Tuesday, April 8th, 2014 AT 7:33 AM
Tiny
OLD GRAMPA JAKE
  • MEMBER
  • 5 POSTS
Thanks, I'll give it a try. Let you know what comes out.
Was this
answer
helpful?
Yes
No
Thursday, April 10th, 2014 AT 6:59 AM
Tiny
JDL
  • MECHANIC
  • 16,098 POSTS
Let us know.
Was this
answer
helpful?
Yes
No
Thursday, April 10th, 2014 AT 11:14 AM
Tiny
JONBOY89
  • MEMBER
  • 3 POSTS
  • 1998 CHEVROLET S-10
Electrical problem
1998 Chevy S-10 6 cyl Two Wheel Drive Automatic

How do you take apart a 1998 chevy s10's fuse box? I have already tried prying it open, also removed the drl fuse on the fuse box
Was this
answer
helpful?
Yes
No
Thursday, January 7th, 2021 AT 3:24 PM (Merged)
Tiny
BLUELIGHTNIN6
  • MECHANIC
  • 16,542 POSTS
You mean how to disassemble the fuse box? What exactly are you trying to do?
Was this
answer
helpful?
Yes
No
-1
Thursday, January 7th, 2021 AT 3:24 PM (Merged)
Tiny
JONBOY89
  • MEMBER
  • 3 POSTS
I want to disassemble the fuse box to get to the inside of the fuse box because a pair of the prongs fell inside when a mechanic was working on the fuel injector. Unless there is a way to get a new pair of prongs into the fuse box without having to take it apart?

The fuse box is a delphi 1 >PA66-6F14< if that helps at all.
Was this
answer
helpful?
Yes
No
-1
Thursday, January 7th, 2021 AT 3:24 PM (Merged)
Tiny
BLUELIGHTNIN6
  • MECHANIC
  • 16,542 POSTS
Would be much easier just to replace the entire box assembly from a junkyard, shouldn't cost much 15 20 bucks .
Was this
answer
helpful?
Yes
No
-1
Thursday, January 7th, 2021 AT 3:24 PM (Merged)
Tiny
JONBOY89
  • MEMBER
  • 3 POSTS
Ok thanks. I will do that.
Was this
answer
helpful?
Yes
No
-2
Thursday, January 7th, 2021 AT 3:24 PM (Merged)
Tiny
TTAMURA
  • MEMBER
  • 2 POSTS
  • 1998 CHEVROLET S-10
  • 4 CYL
  • 2WD
  • MANUAL
  • 145,000 MILES
The fuse for my ecm/bcm (computer) on my 1998 chevy s10 keeps burning out. Then I have to shake the fuse block t get the vehicle to start again. I can't imagine the fuse block is bad, would anyone know why this would happen?
Was this
answer
helpful?
Yes
No
Thursday, January 7th, 2021 AT 3:25 PM (Merged)
Tiny
WRENCHTECH
  • MECHANIC
  • 20,761 POSTS
Yes, the fuse block could be bad. A high current circuit will get hot over time and when the contacts get hot, they lose tension and contact. Check out the fuse panel diagrams (Below). Please let us know what happens.
Was this
answer
helpful?
Yes
No
Thursday, January 7th, 2021 AT 3:25 PM (Merged)
Tiny
CARADIODOC
  • MECHANIC
  • 34,366 POSTS
Instead of a new fuse, fashion a pair of wires you can plug in and connect the other ends to a small 12 volt light bulb. A brake light bulb will work fine. When the short is present, the bulb will be full brightness. When the short is gone, the bulb will go out or be dim.

Now you can move stuff around and disconnect things while watching the bulb. Look for wires that are rubbed through against the body sheet metal, and look for wires that had become hot and melted to other wires or metal brackets under the fuse box. It's not likely the computer will cause a problem that is affected by moving it, but he wiring going to it could.

Caradiodoc
Was this
answer
helpful?
Yes
No
Thursday, January 7th, 2021 AT 3:25 PM (Merged)
Tiny
TTAMURA
  • MEMBER
  • 2 POSTS
Thank you both, I will work with that. I appreciate it.
Was this
answer
helpful?
Yes
No
Thursday, January 7th, 2021 AT 3:25 PM (Merged)
Tiny
CJGOLFBLADE
  • MEMBER
  • 2 POSTS
  • 1996 CHEVROLET S-10
  • 6 CYL
  • 2WD
  • AUTOMATIC
  • 90,467 MILES
All my dash lights and my tail lights do not come on. Is there a fuse box under the hood somewhere or should I be looking for something else?

Answer I got so far: All use the same fuse, check fuses, if all fuses tested okay pull and check the switch and the wires connecting to it. But where is the fuse located? All the fuses in the dash are okay. Is there a fuse box under the hood somewhere?
Was this
answer
helpful?
Yes
No
Thursday, January 7th, 2021 AT 3:25 PM (Merged)
Tiny
RASMATAZ
  • MECHANIC
  • 75,992 POSTS
Hello, here is a guide to help you test the fuses and the fuse panel diagrams below:

https://www.2carpros.com/articles/how-to-check-a-car-fuse

Check out the diagrams (below). Please let us know if you need anything else to get the problem fixed.

Cheers
Was this
answer
helpful?
Yes
No
+2
Thursday, January 7th, 2021 AT 3:25 PM (Merged)
Tiny
1978MONZA
  • MEMBER
  • 1 POST
  • 1996 CHEVROLET S-10
  • 4.3L
  • V6
  • 2WD
  • AUTOMATIC
  • 230,000 MILES
Where is the fuse box that houses the EMC, Ign, and Fuel pump and eng controling fuses at?
Was this
answer
helpful?
Yes
No
Thursday, January 7th, 2021 AT 3:26 PM (Merged)
Tiny
JACOBANDNICKOLAS
  • MECHANIC
  • 110,176 POSTS
It should be under the instrument panel to the left of the steering column.

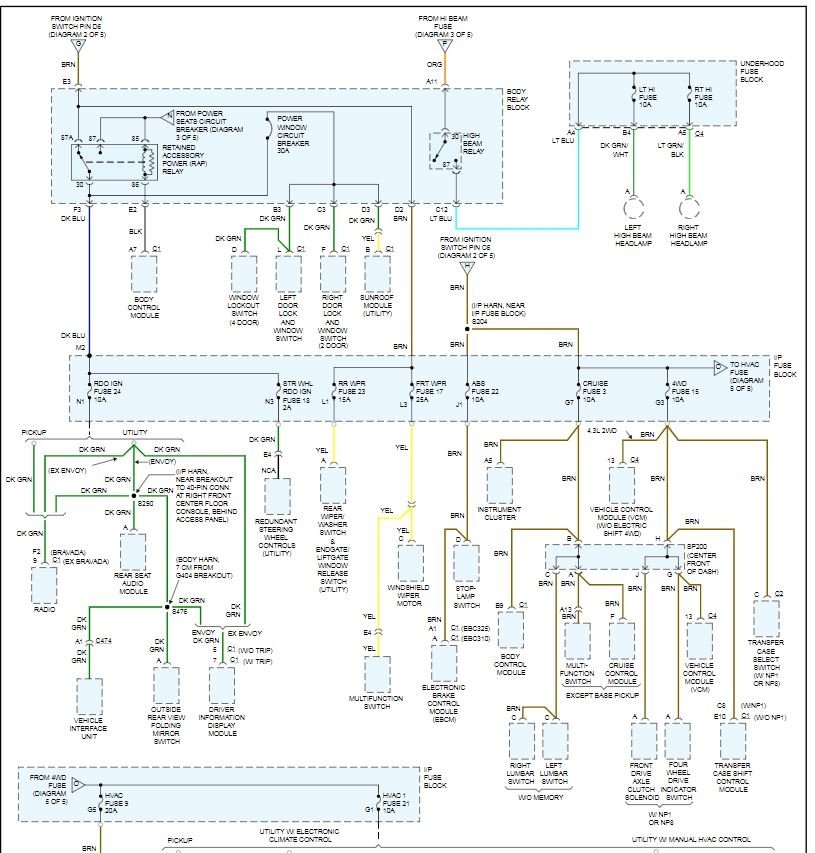
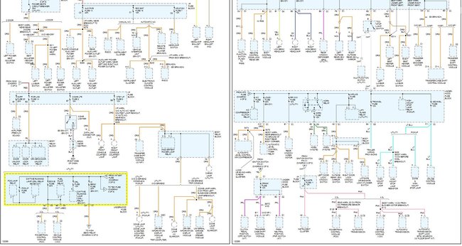
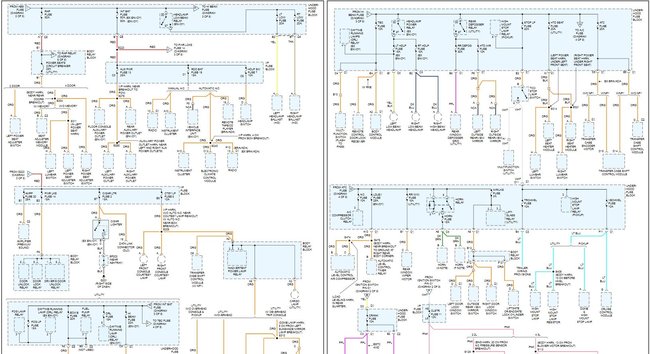
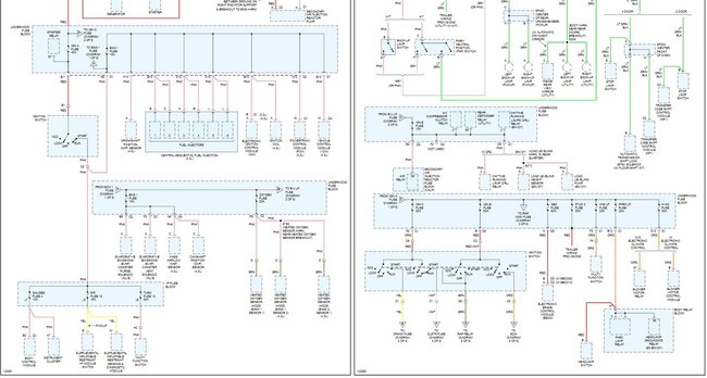
Attached below are all of the power distribution wiring diagrams
Was this
answer
helpful?
Yes
No
-1
Thursday, January 7th, 2021 AT 3:26 PM (Merged)
Tiny
JCROUCH18
  • MEMBER
  • 3 POSTS
  • 1991 CHEVROLET S-10
  • 4.3L
  • V6
  • RWD
  • AUTOMATIC
My interior lights are not working. (Dome light, light under the dash) but my dash lights are working. I've wiggled all the fuses but I don't know exactly which fuse is for the interior lights. Is there anything else that might be wrong?
Was this
answer
helpful?
Yes
No
Thursday, January 7th, 2021 AT 3:26 PM (Merged)
Tiny
CARADIODOC
  • MECHANIC
  • 34,366 POSTS
Hello,

Here is a guide and the fuse locations so you can test for power at the fuse. Check out the fuse panel diagrams below.

https://www.2carpros.com/articles/how-to-check-a-car-fuse

Check out the diagrams (Below). Please let us know if you need anything else to get the problem fixed.
Was this
answer
helpful?
Yes
No
Thursday, January 7th, 2021 AT 3:26 PM (Merged)
Tiny
COONTZ
  • MEMBER
  • 1 POST
  • 1990 CHEVROLET S-10
Where can I find a fuse panel diagram for a 1990 Chevy s-10? Thank you
Was this
answer
helpful?
Yes
No
Thursday, January 7th, 2021 AT 3:26 PM (Merged)

Please login or register to post a reply.