Tuesday, November 3rd, 2009 AT 7:29 PM
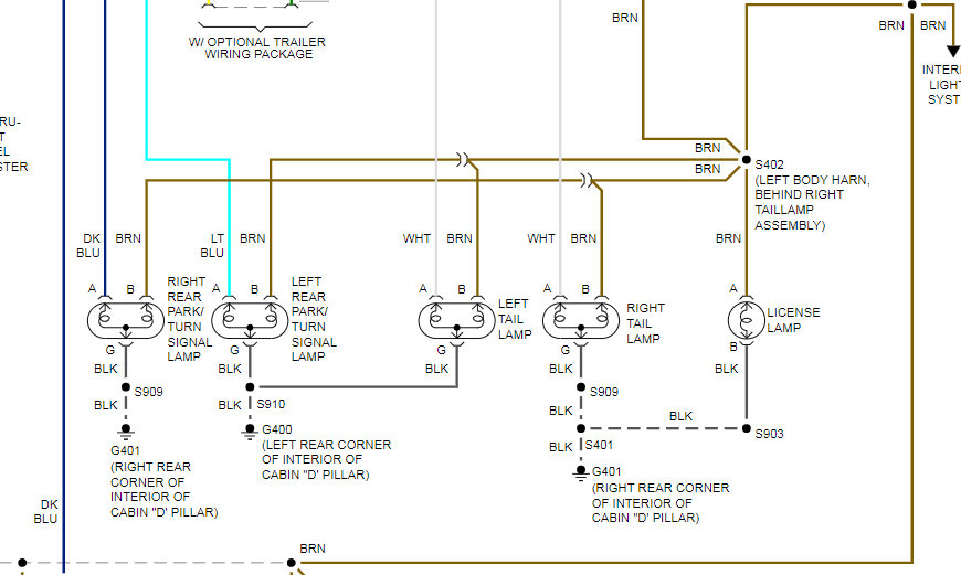
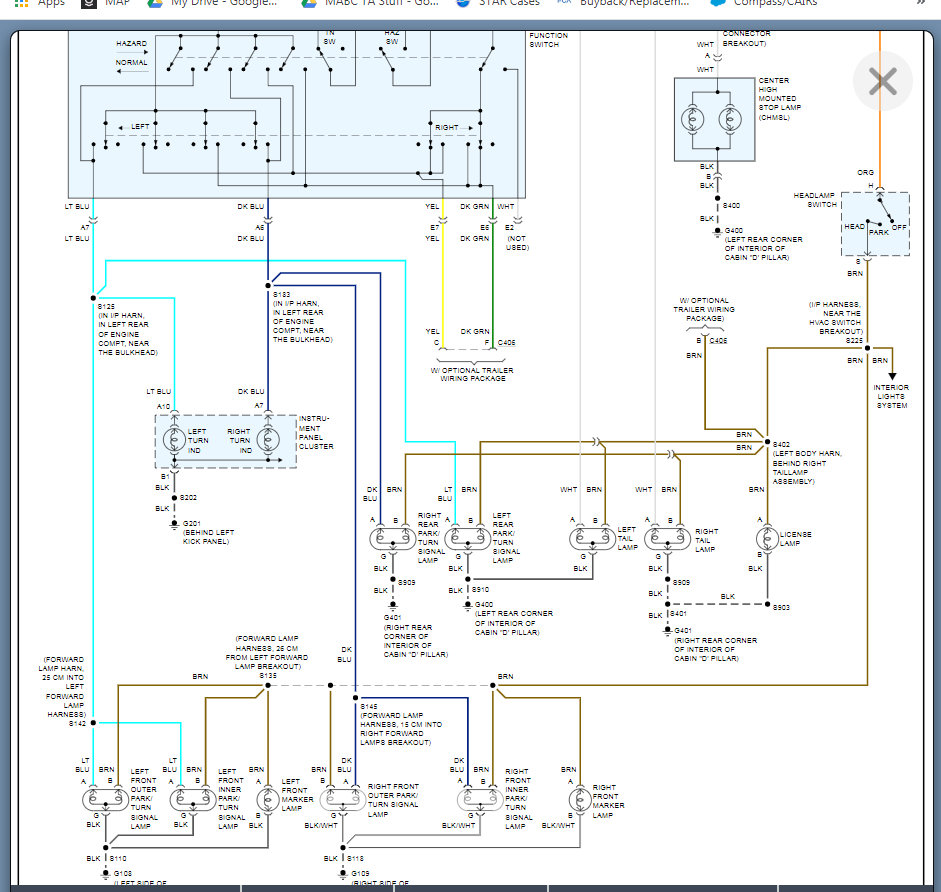
The parking lights/license plate/tail lamps and other lights do not work. I have changed the fuse with a known good fuse and they still do not work. Help!



