Thanks

Thanks for getting back to me. I have the harness's for both. No one (Audio Installers) has them configured to match, that's why I posted the wiring diagram from Eonon unit. My question is. What do the GM wires hook up to on the Eonon wiring diagram provided.
Please Match this up to Eonon wiring diagram. At this point what I'm requesting should be obvious. Again thanks, I hope this will be answered.
Brett
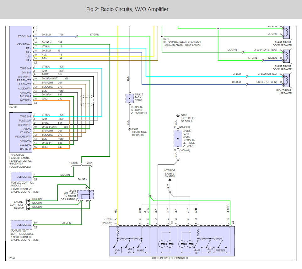
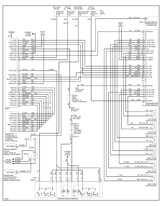
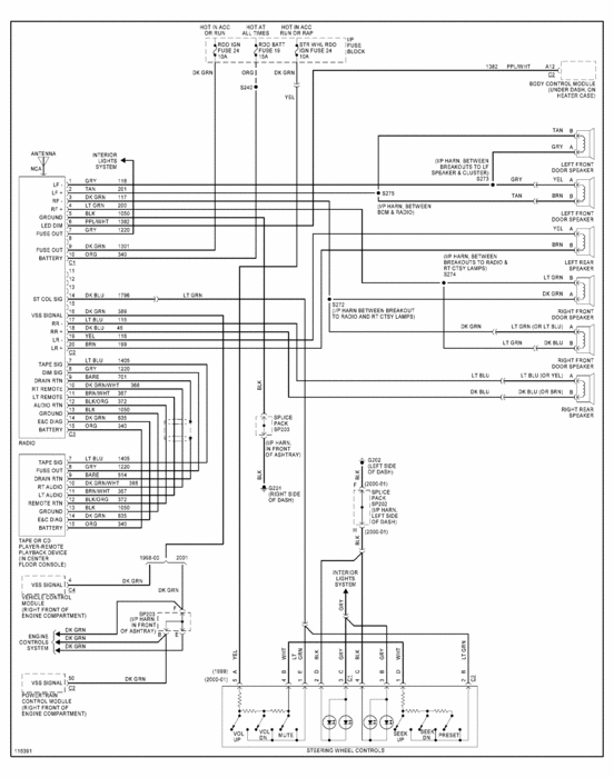
For Blazers and S-10s (including Bravada, Sonoma, Jimmy, Full-Size) the actual stereo wiring is as follows
Constant 12V+ Orange
Switched 12V+ Yellow
Ground Black
Illumination Gray
Dimmer Brown
Antenna Trigger Pink
Antenna Right Front
Front Speakers 4" x 6" Dash
Left Front (+) Tan
Left Front (-) Gray
Right Front (+) Light Green
Right Front (-) Dark Green
Rear Speakers 6" x 9" Side Panels
Left Rear (+) Brown
Left Rear (-) Yellow
Right Rear (+) Dark Blue
Right Rear (-) Light Blue
Wednesday, June 16th, 2010 AT 4:32 AM













