Friday, February 20th, 2009 AT 11:14 AM
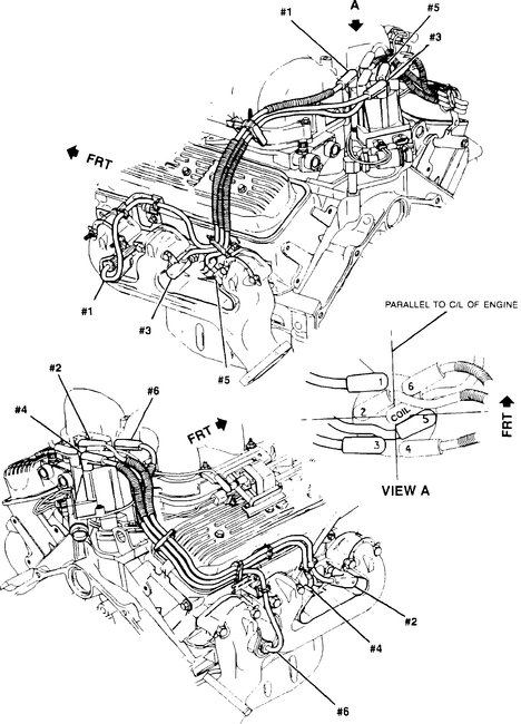
I need the spark plug wiring diagram for this vehicle. Having trouble with misfire after installing new wires. Need to make sure wires are put back correctly.













