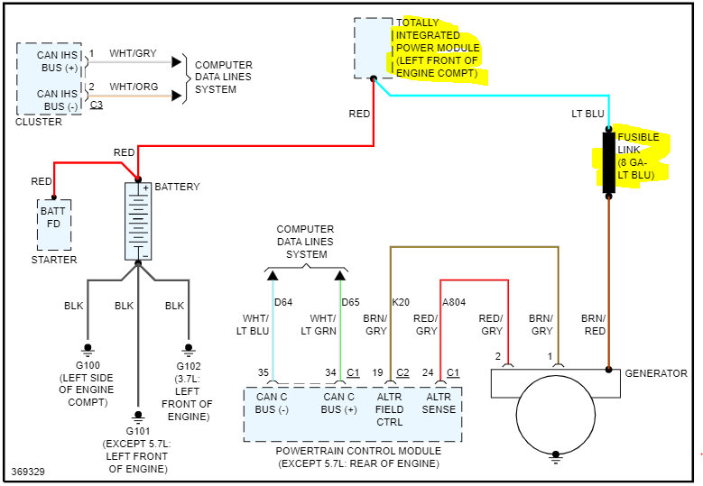
Had the alternator bench tested it shows it's good but so does the one I replaced. I'm not getting my alternator to charge my battery. The wire coming from the battery has 12.4 volts which is the same as my battery. I can't find a charging circuit diagram anywhere. I don't know what else to check.
Thursday, August 4th, 2022 AT 7:58 PM


