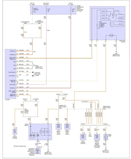
Tuesday, May 16th, 2017 AT 7:07 AM
My center console lights went out including analog clock, heated seat lights and prndl shifter light. They all work so what fuse will it be? I checked all the recommended ones in the rear fuse box they all seem fine.

