Thursday, March 2nd, 2023 AT 5:25 PM
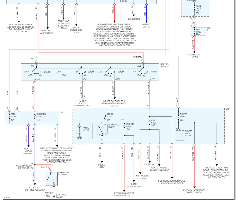
The car won't start at all. No crank no noise. Headlights turn on but no radio, dashboard, windows. No power. The battery is good had it checked.




