Saturday, June 5th, 2021 AT 3:57 PM
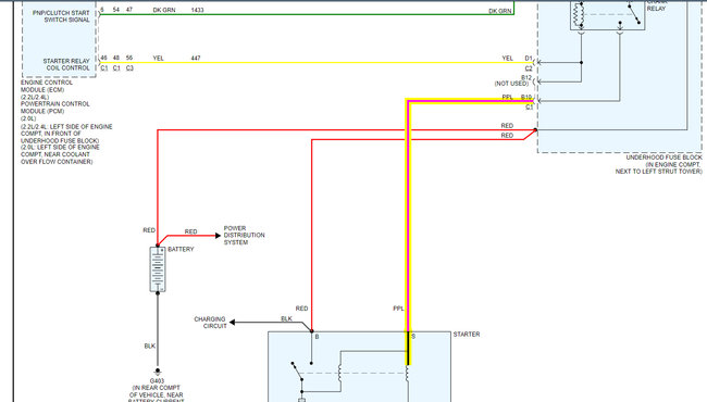
I disconnected the positive terminal on the battery to replace a starter on the car listed above (Ls sedan) and now won't start after reconnecting the positive terminal on the battery. So can you help me please?











