Sunday, March 20th, 2022 AT 3:58 PM
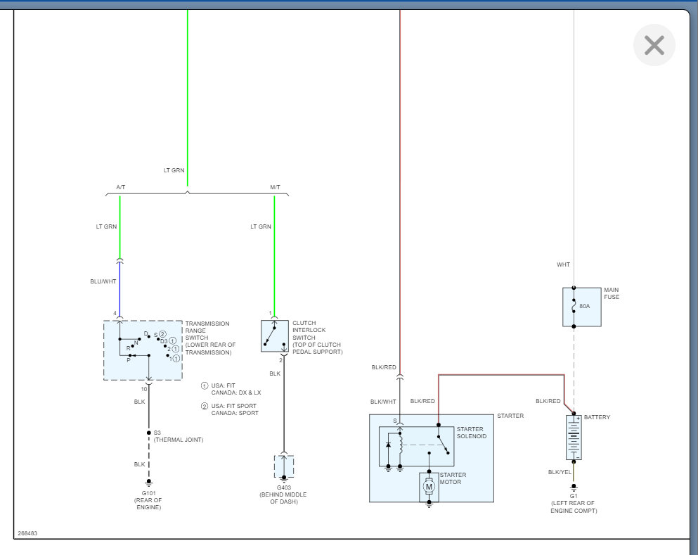
Had a p0301 code, replaced all coil packs, also replaced all plugs and gapped per repair spec manual. Replaced battery and replaced starter approximately 8 months ago. My wife left my house and drove approximately five miles to Walmart. Came out and car would not turn over. I had it towed to my house. When I got home from work. Car started right up no issue. Then the same situation happened next day. Today I did a valve lash readjustment today. All valves were too tight. I also checked the starter cut relay and ohmed out the ignition switch. Did not find any issues with those switches. Also tested trans selector switch. No issues found there. So I cleared code after valve adjustment. And could not get car to not turn over again. Started right up, drove about 20 miles, shut car down. And car started right up. My question. Can the p0301 code cause car to not turn over after code pops. Not Sure where to look next. Again could not get a code to pop or get car to not turn over after clearing code and valve adjustment.




