Thursday, July 28th, 2016 AT 3:41 AM
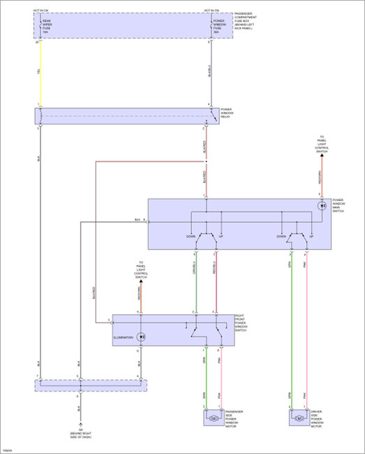
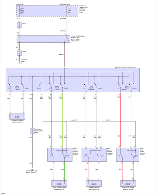
I cannot operate the right hand rear (right hand rear) power window using the switch on the right hand rear door. I can operate the same window using the appropriate switch on the master control panel on the drivers door. If I plug the right hand rear switch into the left hand rear wiring, it operates the left hand rear window correctly. So I assume that the right hand rear switch itself is not broken. If I replace the right hand rear switch with the left hand rear switch, I still does not operate the right hand rear window. In each case I can operate both rear windows from the master control panel on the driver's door. To me, it looks like there is a problem with the right hand rear wiring. But in that case, why does the master control panel switch work? I have tried to trace the wiring from the right hand rear door, but without success.





