Saturday, March 22nd, 2025 AT 11:38 PM
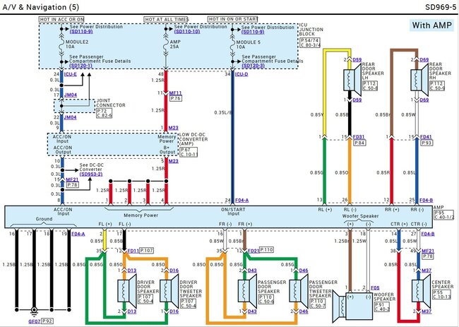
I am looking for wiring diagrams for my infotainment system for an aftermarket sound system installation. Since it is a Bose system I may keep some components of the system. More or less looking for color and use of the wires from the radio to each speaker and/or the amp.






