Thursday, March 6th, 2025 AT 12:49 PM
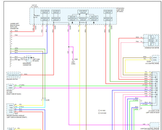
Hi Ken, please I would like to have a diagram for TCM pinout, TCM CAN bus wiring diagram, also pin out for ECU and CAN bus network for ECU.







