Camera reverse disconnect

2017 TOYOTA VIOS
8,500 MILES • 1.5L • 4 CYL • 2WD • AUTOMATIC
Avatar
NORAZAM SHAH YUSOP
  • MEMBER
  • 1 POST
When put for gear reverse the camera does not display on screen. How to fix it?
Aug 21, 2017 at 4:08 PM
Repair Safety Notice: This information is for general instructional purposes only. Vehicle repair can be dangerous. Verify all information, follow manufacturer service procedures, use proper tools and safety equipment, and consult a qualified repair shop when needed.
Advertisement
Avatar
STRAILER
  • AUTOMOTIVE REPAIR CONTRIBUTOR
  • 54,182 POSTS
I would start by checking the fuses. the system could have had a surge which knocks out the fuse.

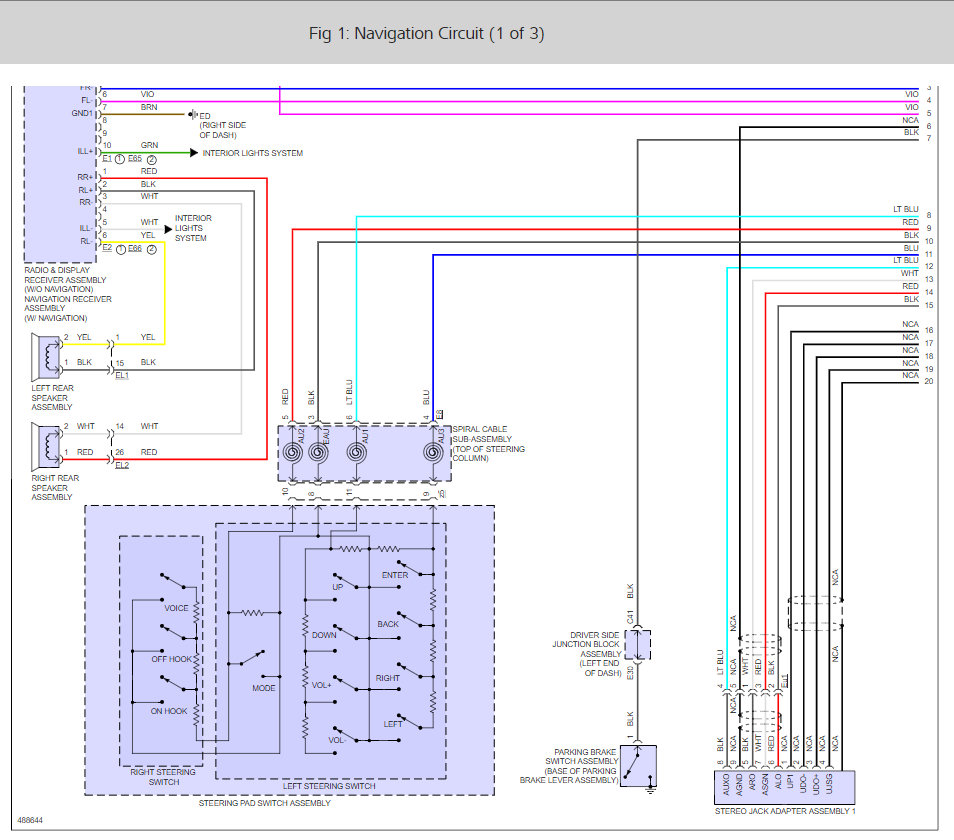
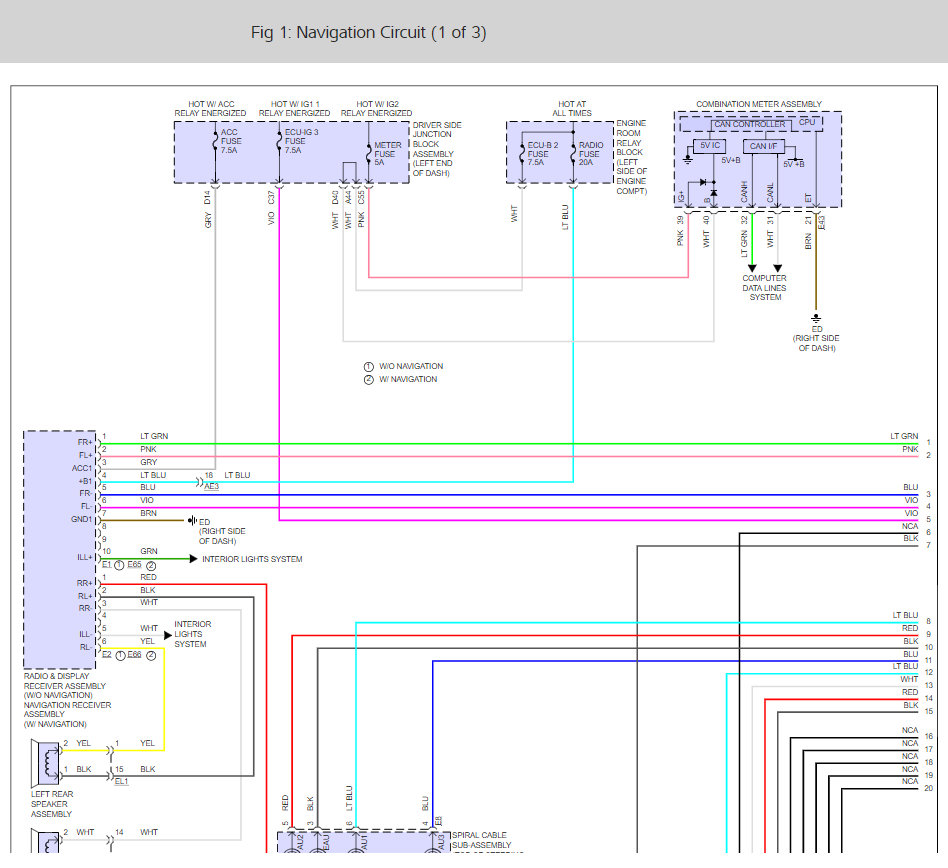
Here is a guide and some diagrams (below) that will help us get the problem fixed:

https://www.2carpros.com/articles/how-to-check-a-car-fuse

and

https://www.2carpros.com/articles/how-to-use-a-test-light-circuit-tester

Please let us know what happens.

Cheers, Ken
Aug 22, 2017 at 2:26 PM
Advertisement