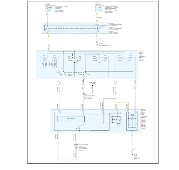
My continuous 'fast' or 'slow' wipe setting works correctly.
My single swipe setting works correctly.
My windshield washer setting works correctly.
If I turn the knob to any of the 'intermittent' settings, the wipers will do a single swipe and then stop swiping the windshield.
I spoke to the parts store person who said that I might have to replace the entire windshield wiper motor. I had thought that it would be similar to a 'turn signal' fuse.
Is the first step to replace that motor?
Thank you very much,
William
Monday, January 18th, 2010 AT 4:52 PM














