Saturday, September 7th, 2024 AT 4:25 PM
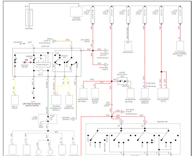
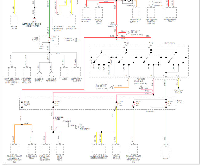
I am trying to rewire the fuse block that melted down on my car Ruby. She's a good ol girl and I know she's got another 200000miles left in her. Nobody else believes her. I can't read wiring diagrams, but I did take plenty of pictures to reverse wire her. Is there not a Chilton's, Mitchell or Haynes printout of where each colored wire goes you could send me? And is there such a thing called 5 and drive? Like engine compartment side of C100 Battery +/- ground, alternate +/-, or starter, water pump? And is there any sealant I can use on fuse block once I get everything wired up? And I've noticed some of the pinouts have the number 12 on them, (battery?) Some have 19 on them. Some say PEC, PCM, P? What does this relate to? Thank you






