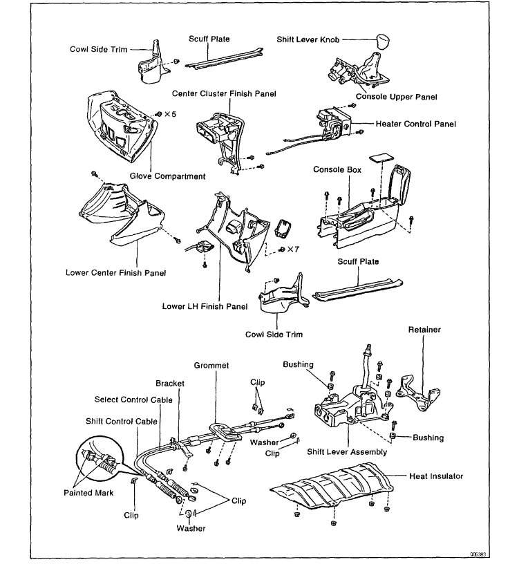
Upon getting the car up and running I had realized that the car would not shift into most gears. Looking under the car, I saw that the shifter cable was hanging on by a thread, so I took it out of the car.
I have looked for shifter cable replacements and have not found any sold new. I can look for a junkyard one but I'm hesitant since the way it broke looks like a design flaw (it broke exactly at the point where it was bent almost 90°), so a junkyard cable may have the same weakness.
I'm wondering if there are any other options, like buying one new for another similar model or buying a kit or finding someone to fix it.
Given my lack of experience in this field, I'm not sure what the best plan of attack is, so any help would be greatly appreciated.
Friday, December 30th, 2022 AT 4:16 PM





