Thursday, July 18th, 2019 AT 9:45 PM
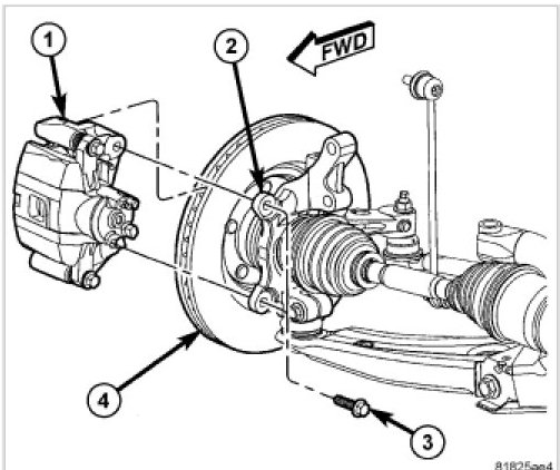
When replacing the brake pads does it matter what side you put the indicator pad on in or out side? I went to replace my parents brakes and on one side the indicator was on the outer on the other the indicator was on the inner.




















