Monday, July 10th, 2017 AT 9:24 AM
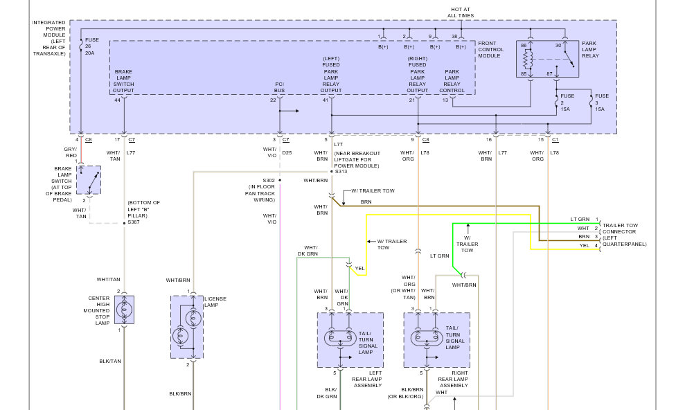
My brake lights are staying on for several minutes after each time I use them. I checked the brake switch. The lights stay on with the brake switch removed.

