Friday, April 20th, 2018 AT 1:42 PM
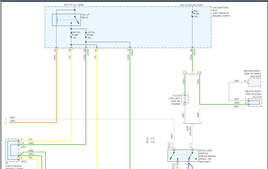
My wife recently got stopped for not having a brake light working, rear passenger side. I replaced the bulb and still have the same problem. Sometimes it turns on and sometimes it doesn't. Swapped bulbs and still doing the same thing. Any suggestions what it could be? Thanks in advance.



