Monday, September 30th, 2019 AT 1:39 PM
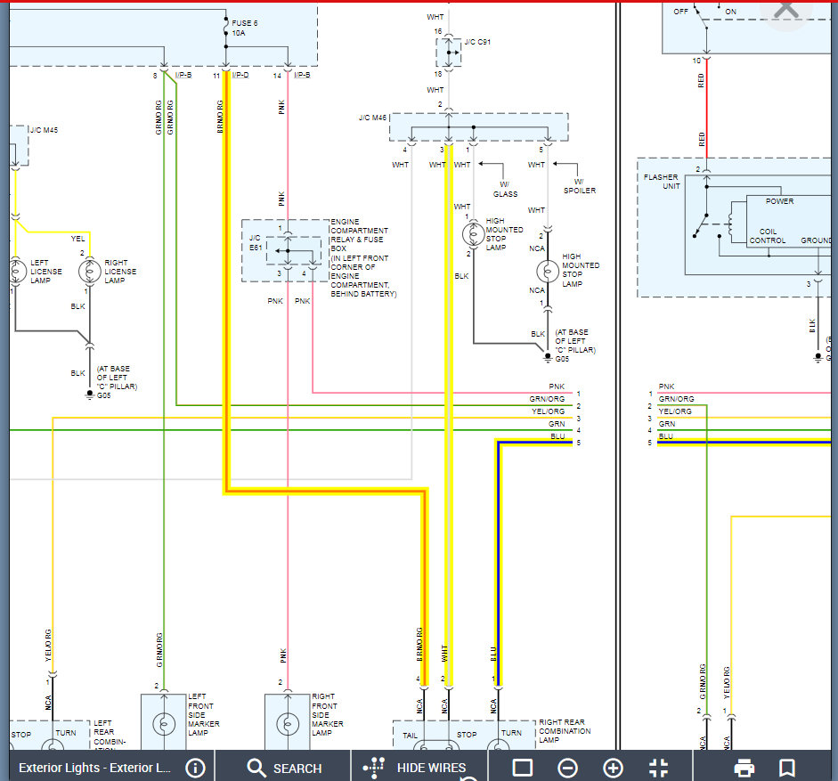
I replaced the right brake light's bulb and it still doesnt work. Whether I press the brake or turn on my headlights the right one won't turn on. The left one works fine. Any suggestions?




