Sunday, May 24th, 2009 AT 3:11 PM
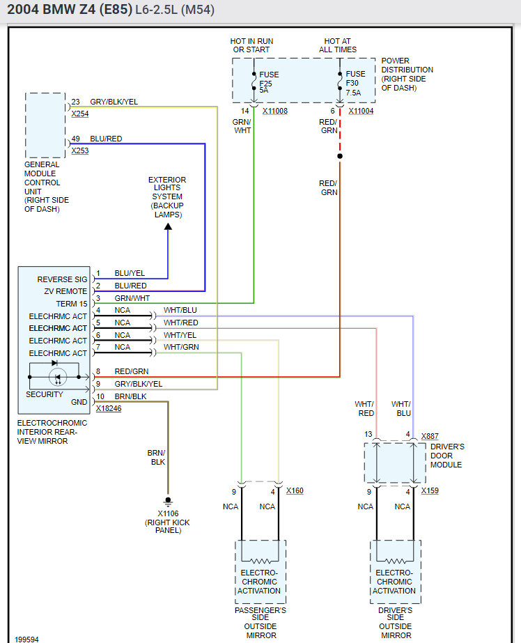
I wanted to replace my rearview mirror with one that has the home link and want to know how to replace it. Also would the dealer have to reprogram my car for the garage door opener to work?










