Wednesday, May 3rd, 2023 AT 10:23 PM
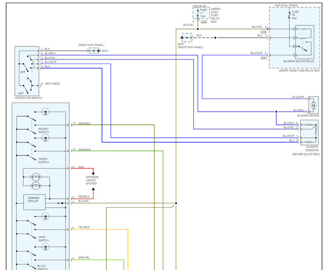
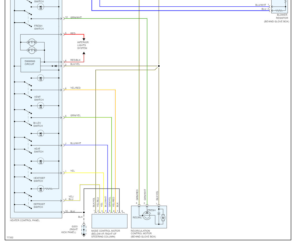
There is no air coming into the cab of the car. We turned it on, and it didn’t come on. We checked the switch, and it was good. The fan that blows air into the radiator is fine, but no air comes into the car.





