Wednesday, November 9th, 2022 AT 10:52 PM
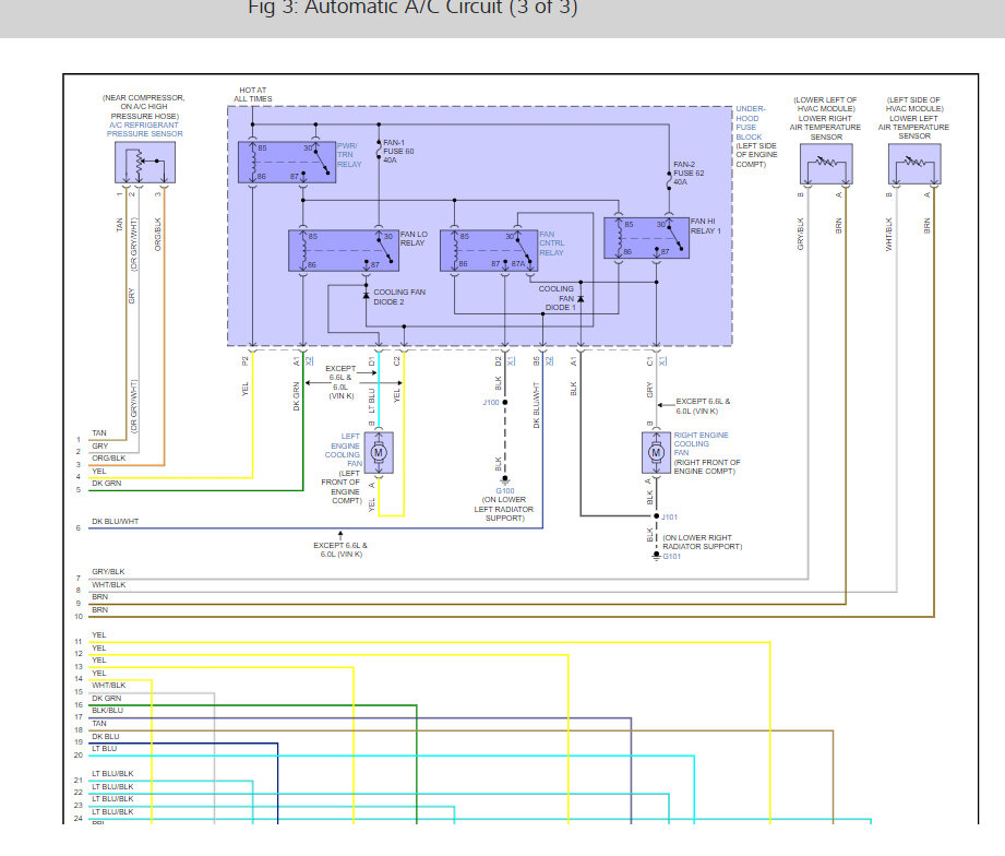
Hello, I just picked up a very used truck listed above, and I was initially told that the blower motor wasn't working on it. I did a little bit of research and decided to throw a new resistor in it to start with. That didn't fix the issue, so I went ahead and bought a new blower motor as well. Also, no good. So, I've been scratching my head at this point trying to figure out why I can't get the blower motor to work. I've tested the power from the head unit to the resistor and I'm showing just under 12v. Coming out from the resistor I'm only showing roughly 7-8v. But the blower motor still has no life to it. I tested the signal wire and ground from head unit to resistor and I'm not showing much of a signal at all. Roughly.06V. As I change fan speed, it will move, down to.05, .04, etc. I jumped from the power and ground of the head unit to the blower motor rather than running it through the resistor and it fired up immediately. So, I'm losing power somewhere between the head unit and the fan. Any ideas on what to look at next?








