Saturday, August 24th, 2024 AT 4:38 AM
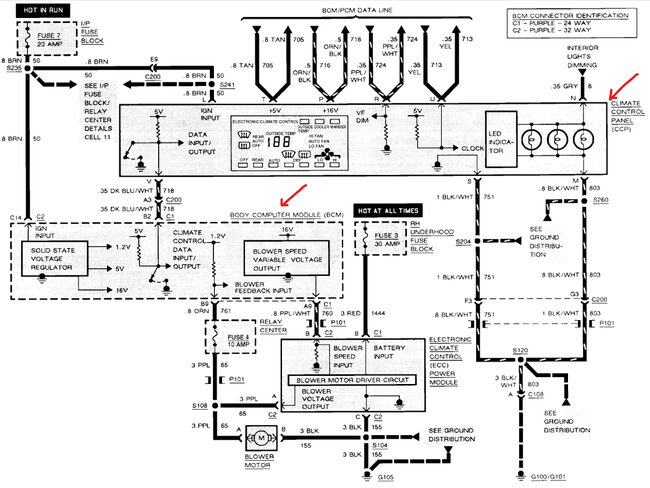
I have read about every form I can read I cannot figure out what's wrong with this blower motor. It just does not work it will not come on been dealing with it for over a year. I hooked a toggle switch to the blower motor, and it works on high. I've already replaced the circuit that's hooked to the blower motor that did nothing. The relays that's above the blower motor I took them out and switched all of them around just to see if that was the issue that's not it. I have checked every fuse with a multimeter and I'm not sure what else there is to this system. I can use a test light I can use a multimeter. Where do I start? This is my father's, and the blower motor has been replaced. Help




