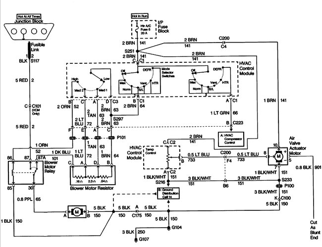
Friday, July 14th, 2017 AT 9:43 AM
Replaced the blower motor and it had been fine until yesterday. It stopped working on high speed but the other speeds are fine. I replaced the resister and fan control switch with no change.


