Sunday, March 31st, 2024 AT 4:57 PM
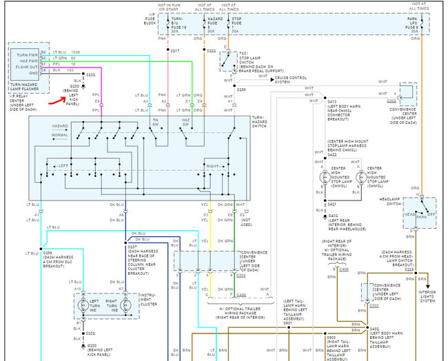
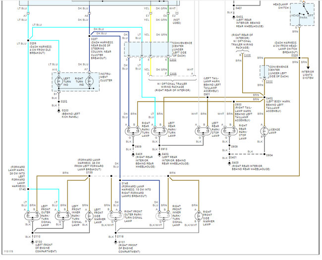
When we turn on the left blinker, both sides begin to flash brightly, as if we have our hazards on. This happens in the front and back.






