Wednesday, July 20th, 2022 AT 2:38 PM
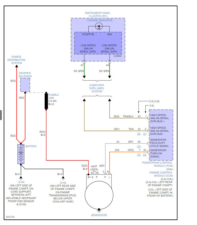
I got a new alternator, changed out the starter and made sure 12-volts were running to my battery. After fixing all of this, when I turn my car the battery light comes on after it dings two times. I tried to drive it and my power steering locked up on me and I had a hard time getting it back home. I noticed some wiring had melted onto my engine block also a few weeks ago where the wire loom had broken around the wires, the wires that go between the starter and the battery. I didn't notice any damage but didn't look carefully either. I just wrapped it with electrical tape without acknowledging the extent that it could be damaged. Could this be the problem, or could I possibly have had a friend not connect the wiring from the alternator to the starter, right? What is a M and B terminal? Where are they?

