Thursday, February 18th, 2021 AT 12:53 PM
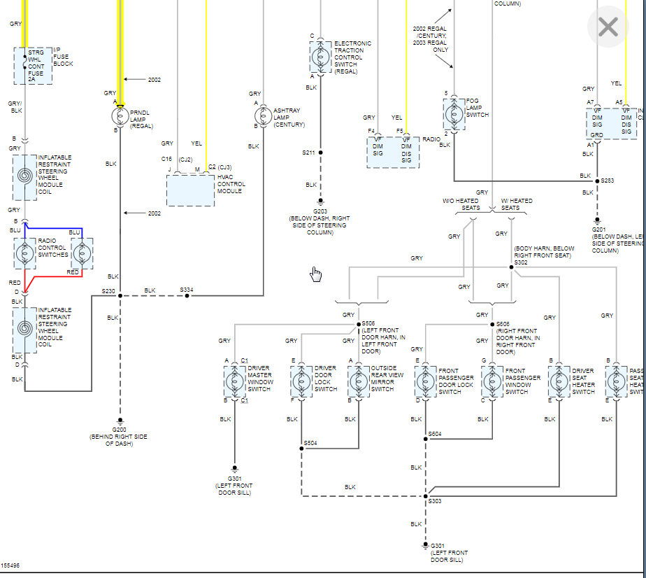
Battery draw using amp meter is 1.7 amps across battery negative. Pulled fuse for cluster, HVAC, radio, etc, and amp draw drops. Found shift indicator light stays lit all the time. Thought issue was in cluster but tried it with different cluster with same result. Thought BCM was bad so plugged another one in, and did not change issue. Could you tell me what controls the prndl light or help me find a readable schematic?


