Tuesday, February 6th, 2018 AT 3:50 PM
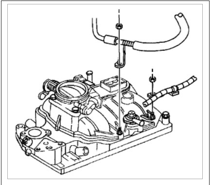
Have a bad coolant leak. I can pour coolant into my radiator and look under the van and watch it run onto the ground. I replaced water pump but this did not solve the problem.











