Saturday, March 10th, 2018 AT 5:57 PM
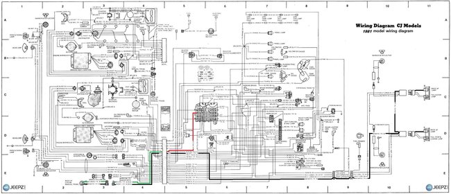
CJ MEDEVAC, Thank you for the whole diagram. I will need to study it close, but at quick glance I did not see the backup light switch. My vehicle was stripped of the wires to and from the backup light switch by the previous owner, so I need some help. I do not know where the wire would come from and where it might tie in. The switch sits right on top of the transmission. Any advice would be greatly appreciated.










