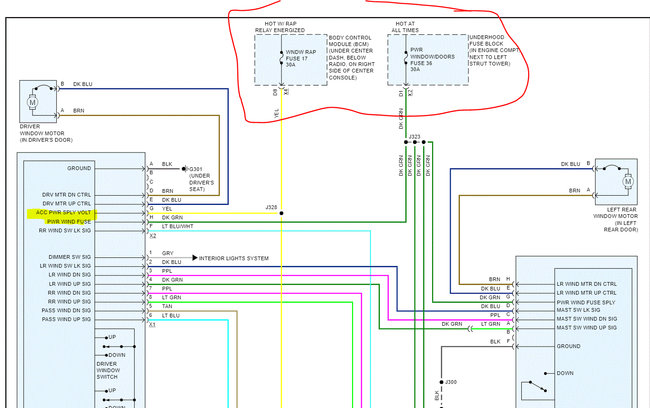
i replaced the window regulator on the passenger front door along with the switch on the same door. then i replaced the drivers side master switch because all windows stopped work, but now after removing the battery to reset any issues, none of the windows are working at all. please help me!!
Jun 27, 2020 at 2:47 PM
