Monday, July 6th, 2020 AT 12:53 PM
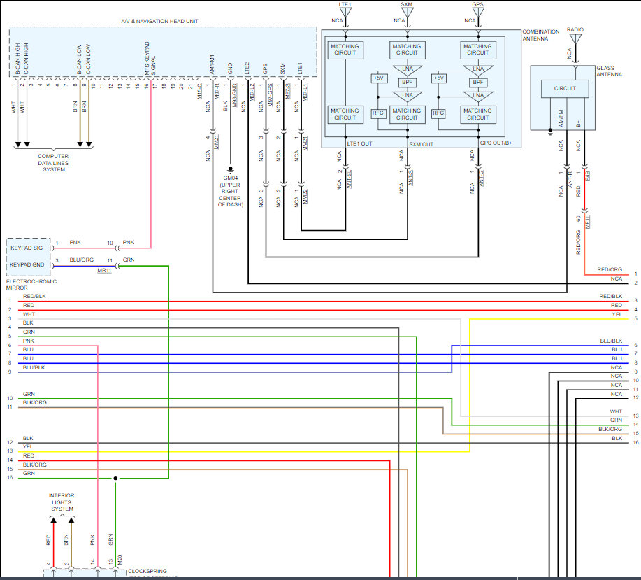
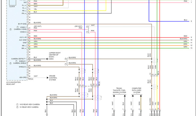
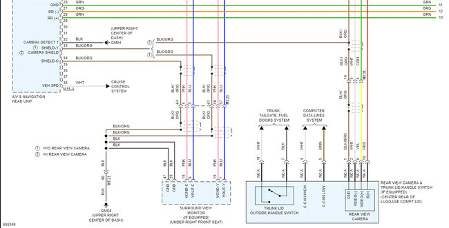
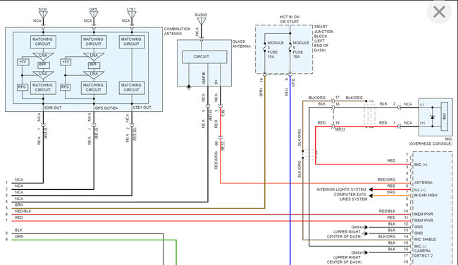
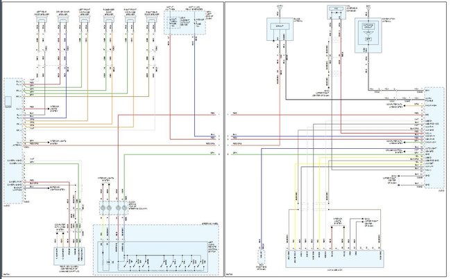
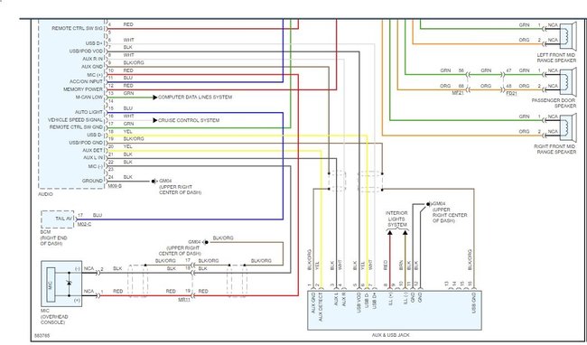
Can any one help me with the factory radio wire color diagram for car listed above FE? It has no factory amp so I’m trying to put in a converter for my subs?





































