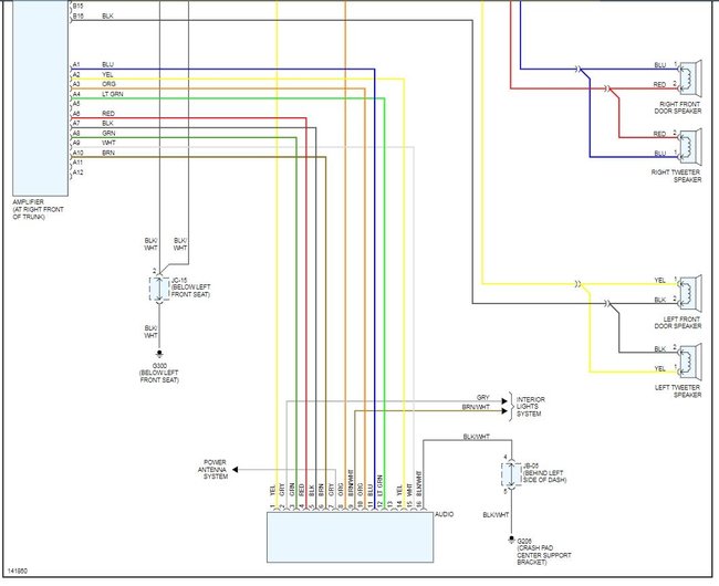
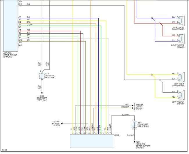
My right front speaker works so I already tried switching it out for the left-front to see if it was the speaker and not the wiring and it still didnt work.
My left-front speaker does have a tweeter and I can still hear sound from it but I think it might be blown but nevertheless I can hear sound from it, I cannot hear any sound at all from the actual speaker itself. I checked all the fuses and they are all fine. Its only the left-front speaker that doesnt work.
Sunday, November 20th, 2011 AT 1:04 AM




