HOME
ASK A QUESTION
REPAIR GUIDES
BECOME A MEMBER
LOG IN
Login with Facebook
OR
Remember me
NOT A MEMBER?
FORGOT PASSWORD?
CONTACT US
PRIVACY POLICY
TERMS AND CONDITIONS
☰
Home
Toyota
Celica
Electrical
Alternator
Wiring
Alternator wiring diagram needed
JEGATRO
MEMBER
1998 TOYOTA CELICA
240,000 MILES
Plug has perished and don't recall the order they went. Mine is an ST model 2.2 liter.
Thursday, October 14th, 2021 AT 9:05 PM
3 Replies
SQM
MECHANIC
6,383 POSTS
Hello,
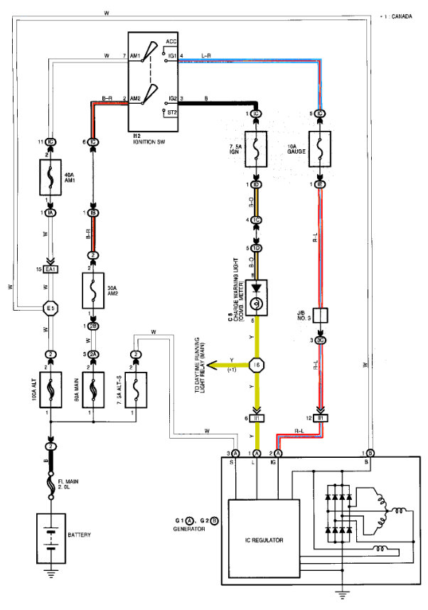
I have attached the wiring schematics for the charging system. It shows the wiring orientations for the alternator.
https://www.2carpros.com/articles/how-to-check-wiring
Please let me know of any questions.
Thank you.
Image (Click to make bigger)
Was this
answer
helpful?
Yes
No
+3
Thursday, October 14th, 2021 AT 9:21 PM
JEGATRO
MEMBER
2 POSTS
Thanks very much. And for being so quick. Muchly appreciated.
Was this
answer
helpful?
Yes
No
Thursday, October 14th, 2021 AT 9:24 PM
SQM
MECHANIC
6,383 POSTS
You are welcome.
Was this
answer
helpful?
Yes
No
Thursday, October 14th, 2021 AT 9:47 PM
Please
login
or
register
to post a reply.
Related Alternator Wiring Content
Alternator Wiring Please
Electrical Problem 4 Cyl Front Wheel Drive Manual 183000 Miles I Replaced Alternator And Housing For Three Pronged Wiring Set Crumbled...
Asked by
speaklife
·
7 ANSWERS
1 IMAGE
1997
TOYOTA CELICA
VIDEO
Alternator Replacement
Instructional repair video
GUIDE
Alternator Replacement
Got a red battery warning light on? This most likely means the alternator has gone out and needs a replacement. To confirm the failure use a voltmeter to test the alternator...
Alternator Install 1988 Toyota Celica
My Alternator Recently Went Bad In My 1988 Toyota Celica. Can Somebody Please Tell Me Briefly How To Take Out The Old One And Install The...
Asked by
msanders21
·
1 ANSWER
1988
TOYOTA CELICA
1991 Toyota Celica Alternator/battery Issues
I Replaced My Alternator This June With A Brand New From The Manufacturer Model. The Car Ran Fine For A Few Months And Then The Battery Went...
Asked by
candyapples91
·
2 ANSWERS
1991
TOYOTA CELICA
1987 Toyota Celica Alternator Or Wise?
My Car Is A Toyota Celica 87 With Under 60k Miles. Recently Had The Clutch Replaced After It Sat For A Couple Month While I Rounded Up The...
Asked by
RRRalf
·
1 ANSWER
1987
TOYOTA CELICA
When I Turn The Key To The On Position There Is No...
When I Turn The Key To The On Position There Is No Electrical Power. The Only Things That Work Are My Fuel Pump, Headlights And Hazards....
Asked by
snowboardpink14
·
9 ANSWERS
4 IMAGES
1992
TOYOTA CELICA
VIEW MORE
Ask a Car Question. It's Free!
Alternator Test
Alternator Replacement
Alternator Replacement