Alternator replacement

2002 CADILLAC SLS
160,789 MILES • V8 • AUTOMATIC
Avatar
CADDY_NOVICE
  • MEMBER
  • 2 POSTS
I am having trouble finding and removing the alternator from my car listed above. Help me please.
Aug 26, 2018 at 6:19 AM
Repair Safety Notice: This information is for general instructional purposes only. Vehicle repair can be dangerous. Verify all information, follow manufacturer service procedures, use proper tools and safety equipment, and consult a qualified repair shop when needed.
Advertisement
Avatar
ASEMASTER6371
  • AUTOMOTIVE REPAIR CONTRIBUTOR
  • 52,796 POSTS
Good morning.

Below is the procedure for the alternator and pictures.

Roy


REMOVAL PROCEDURE
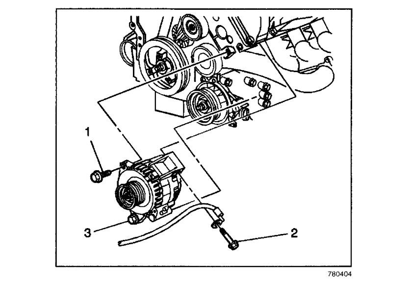
The Denso SC1 (KG9) generator is serviced as a complete unit only.


imageZoom/Print

1. Disconnect the battery negative cable.
2. Remove the drive belt.
3. Remove the engine cooling fans.
4. Disconnect the wiring harness connector from the generator.
5. Reposition the protective boot from the generator output BAT terminal for access.
6. Remove the generator output BAT terminal nut and disconnect the positive lead from the generator.


imageZoom/Print

7. Loosen the lower generator bolt (3).
8. Remove the generator bolts (1, 2) from the generator.
9. Remove the generator from the vehicle.
Aug 26, 2018 at 7:00 AM
Advertisement