Wednesday, November 6th, 2019 AT 6:28 PM
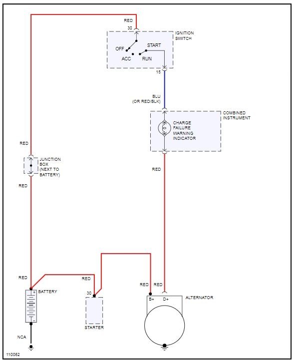
Power steering pump was going out still working but not like it should. Don't know if it affected my charging system causing a drag. My alternator went out and last Thursday I replaced my alternator and still my warning lights coming on letting me know charging system is not working like it should. I drove it to the auto parts store and had the alternator retested where it was in specs, but low end ( I thought alternator always need to be 14.5 when tested, it was at 13.32 that night). I just replaced power steering pump today and when I ordered it yesterday, I had the alternator tested again and it was 11.22 the guy said that it's voltage regulator is bad. So after putting on new pump today, I tested alternator and battery again and it is starting charging up battery and testing back of alternator, numbers started climbing up but still in the 12-13 range not 14.5. I going to replace the alternator once again tomorrow but wondering what else could be causing a drain. I cleaned the grounds, replaced connectors but with Volvo's just wondering if I am missing something else. I'm hoping that I just got a bum re-manufactured alternator (it happens) but anyone else has any suggestions for this DIY lady I would appreciate at it. Thanks my ride is 1988 Volvo 244GL automatic no turbo.




