Monday, November 13th, 2017 AT 6:52 AM
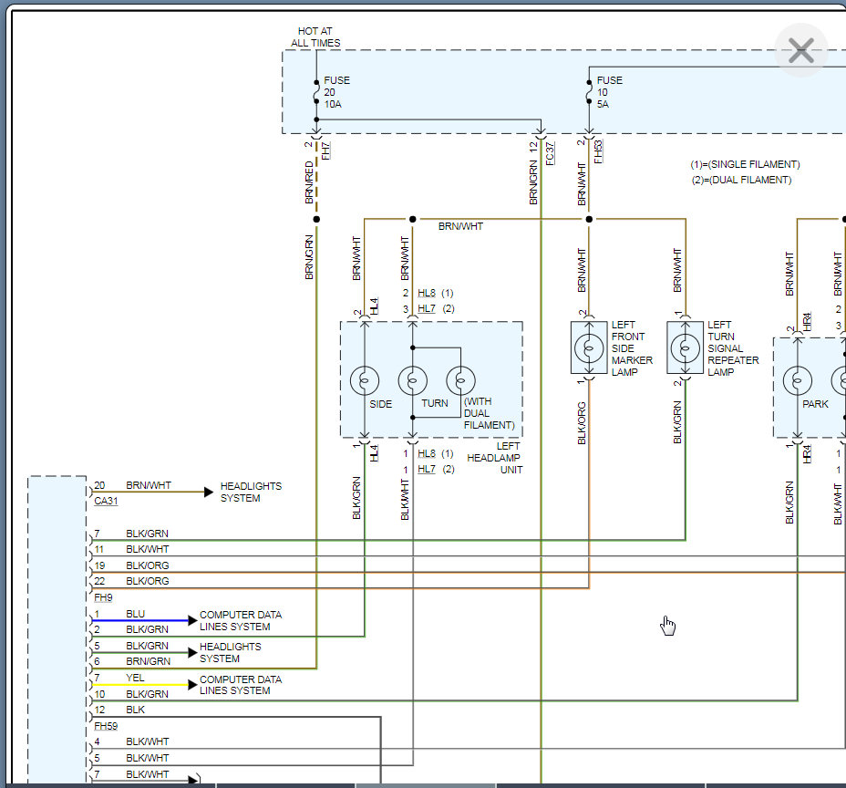
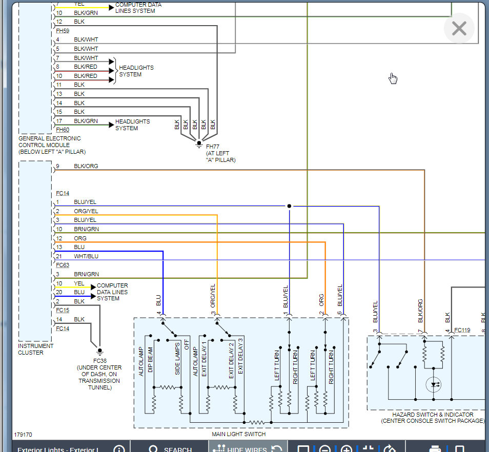
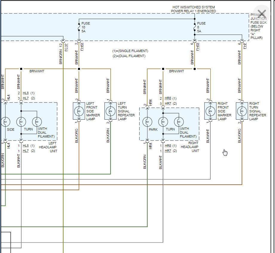
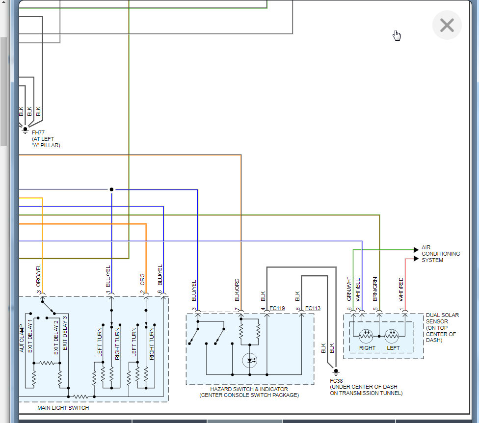
I bought this car used and none off the taillights, brake lights, fog lights, turn signals not even the hazard lights in the back work. Please give me your opinion on what could be the culprit of this problem? Thanks





